This document presents the development of specialized integrated circuits for coordinate X-ray detectors designed for dynamic experiments at the SKIF synchrotron radiation facility.

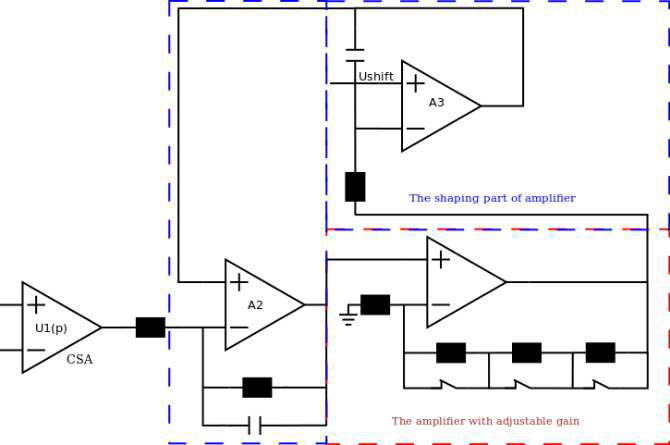
Fig.1. Schematic structure of the SciCODE64 ASIC registration channel.

Fig.2. The shaping part of the registration channel.

Fig.3. Waveforms at the outputs of the CSA (A) and the shaping amplifier (B).

Fig.4. The active discharge circuit.

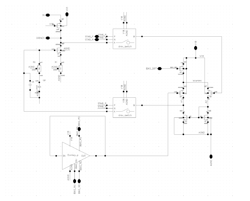
Fig.5. Schematic structure of the DMXS64 ASIC registration channel.

Fig.6. The stabilization circuit.